Home
About
Why TRI
About
History
Calendar
Products
New
Rental
Used
Parts & Service
Gallery
Testimonials
Contact
Careers
Contact Us
Mud Disposal Database
TT-250
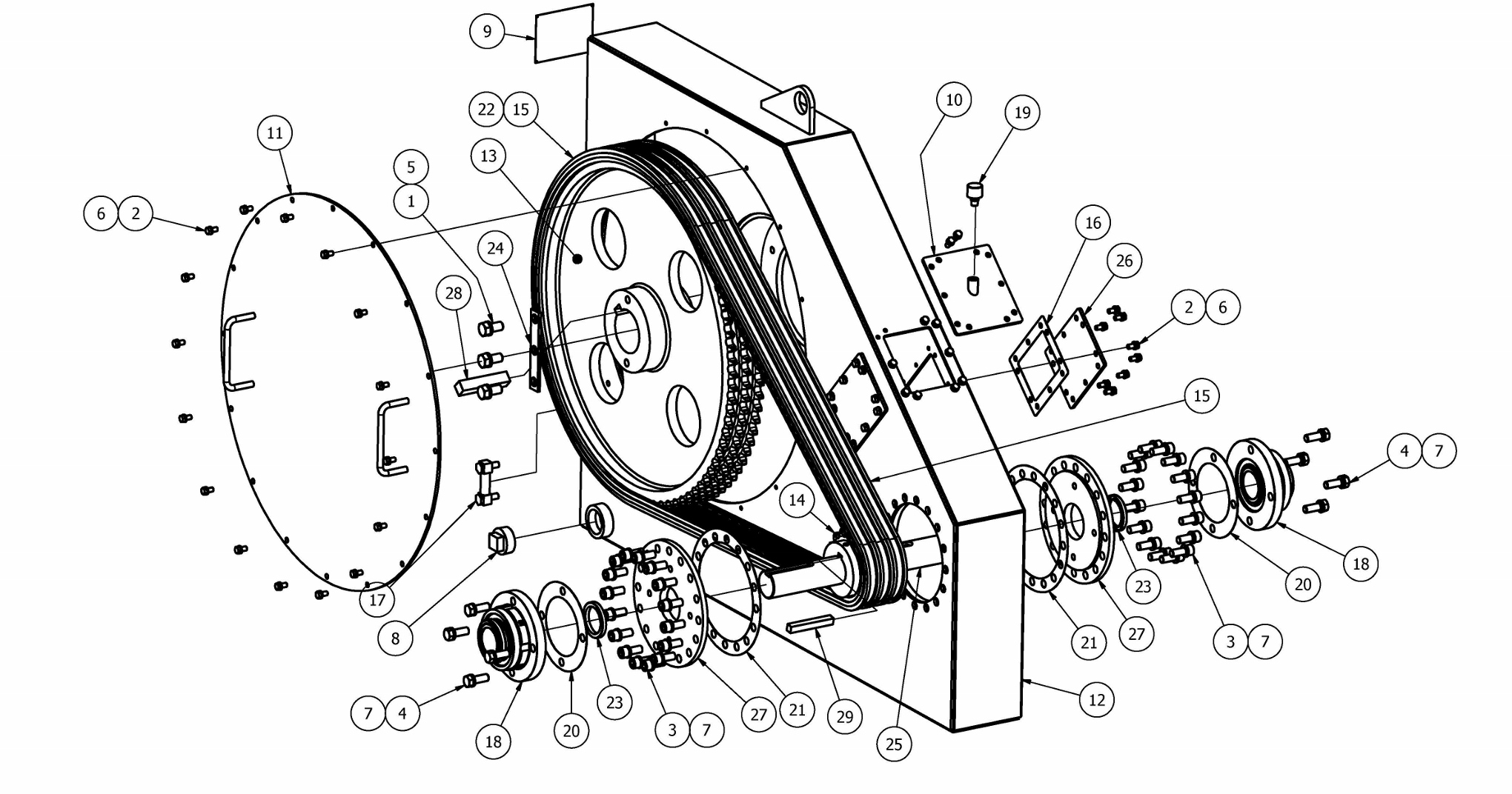
Click on the thumbnails below to view drawings and part numbers.
Get A Quote